タンデムマッチカプラの考察              最新改定 2019.Aug.28 JH3FJA

 回路が簡単な割に起用されることが稀な タンデムマッチカプラ方向性結合器について動作などを考察したものです。

1.まえがき
2.タンデムマッチカプラとは
3.回路と動作
4.参考資料

1.まえがき

 JA2JKE局がロシアの機能基板通販屋さんの品を参考にタンデムマッチカプラによるパワーメータ部を自作されており 興味を持ったものです。 トランス2つと抵抗2本のみのシンプルな構成ですが これを適用されたアマチュア無線機や自作記事は極めて少ないようです。

2.タンデムマッチカプラとは

 「タンデムマッチカプラ」 は電流センス用トランス1つと電圧センス用トランス1つを組み合わせ 進行波成分と反射波成分が180度位相が異なることを基本の分離原理とした方向性結合回路です。 「ソントハイマーブリッジ」 とも呼ばれ 1966年にCG Sontheimerによって発明されたものです。
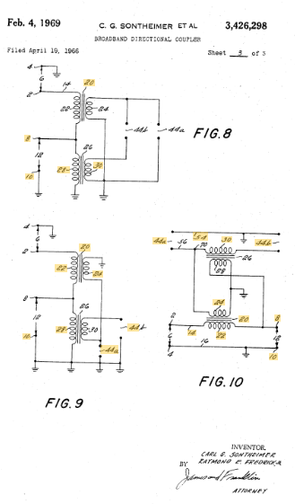
 下記は 当該の米国特許 番号:US 3,426,298 名称:BROADBAND DIRECTIONAL COUPLER の図部分です。 Fig8、Fig9 がここで考察対象としているタップなしトランス2個による2つの結合出力の片端をコモンに落とせる構成です。


3.回路と動作

 図1 にタンデムマッチカプラの回路図を示します。 非常にシンプルな構成のものです。

図1 タンデムマッチカプラ回路図

4つのポートは次の機能を持ちます。
 P1:主回路の入力端 (RF信号源に繋ぐ)
 P2:主回路の出力端 (RF負荷に繋ぐ)
 P3:進行波成分結合出力 (進行波レベル信号)
 P4:反射波成分結合出力 (反射波レベル信号)

トランスの巻数比
 Tr1:電流センストランス、PS巻数比 1:N
 Tr2:電圧センストランス、PS巻数比 N:1


 回路シミュレーションで3つの状態下での動作を見てみます。 進行波のみに対する動作、反射波のみに対する動作、進行波と反射波が混じり合った定在波が立った状態です。
 共通条件は Z=50オーム(信号源インピーダンス・2つの結合出力負荷)、N=10(巻数比)、信号源電力5W、周波数=3MHzです。

(1) 進行波に対する動作

 図2 は整合負荷状態でのモデル回路と主要点の波形です。 3つのグラフを下から順に説明します。
 V(vline)は主回路のライン電圧、ピーク電力5W相当の信号源としていますので15.8V(ピーク値)、信号源起電力はその倍です。 V(vfwd)は進行波成分電圧で1.58V(ピーク値)、これは1/N巻数比 相当の出力です。 V(vref)は反射波成分電圧 で0Vです。 これらは後述で導出します。
 下から2つ目のグラフ、I(L12)は電流センストランスの2次側電流、I(Rf)はP3-Rfに流れる電流です。 波形が重なって1本に見えています。 これら電流位相はライン電圧V(vline)位相と 逆位相になっています。
 下から3つ目のグラフ、I(L22)は電圧センストランスの2次側電流、I(Rr)はP4-Rrに流れる電流です。 ともにゼロなのですがこれは後述の通り電流センストランスからの電流位相で打消しが生じているものです。


図2 進行波のみ

各点波形とモデル回路

 図3 は電流センストランスの2次側位置で電流源に置き代え 眺め易くしたモデル回路と各点波形です。
 電流センストランスの2次側電流は1次側電流の1/N倍、 1次側電流は ライン電圧vline/負荷抵抗(Rl=50オーム) から 31.62mA(ピーク値)、電流方向は1次側とは逆方向です。


図3 進行波のみ

センス電流を電流源に置換

 一見して分かるように このセンス電流は 並列形態の値の等しい2つの抵抗Rf と Rr(いずれもZオーム) に半分ずつ流れます。 一方 Tr2の2次側電圧センス電圧の方は 直列形態の抵抗Rf と Rrで半分ずつに分圧されます。
 これら2つの重ね合わせから 進行波のみでの P3出力電圧Vfrd と P4出力電圧Vrefは次のように導出できます。 なお ここでの極性符合は位相を現わしています。

経路 電流センスによる電流 電圧センスによる電流 2つの重畳電流 電圧出力
P3、Rf −Vline/2N・Z −Vline/2N・Z −Vline/N・Z Vfwd=−Vline/N
P4、Rr −Vline/2N・Z Vline/2N・Z Vref=0

 以上の通りですが 結果がより明確に分かるよう 図4 に V(vline)、V(fwd)、V(vref)の拡大波形を掲げておきます。


図4 進行波のみ

図2の一部波形拡大

(2) 反射波に対する動作

 図5 はモデル回路と主要点の波形です。 分かり易いように信号源と出力負荷の繋ぎ先を相互に入れ替え流れの方向を反対にしています。 3つのグラフを下から順に説明します。
 V(vline)は主回路のライン電圧、ピーク電力5W相当の信号源としていますので15.8V(ピーク値)になっています。 V(vfwd)進行波成分電圧はゼロ、V(vref)反射波成分電圧は1.58V(ピーク値)です。 これらは後述で導出します。
 下から2つ目のグラフ、I(L12)は電流センストランスの2次側電流、I(Rf)はP3-Rfに流れる電流です。 I(Rf)はゼロ、I(L12)の電流位相はライン電圧V(vline)位相と 同相になっています。
 下から3つ目のグラフ、I(L22)は電圧センストランスの2次側電流、I(Rr)はP4-Rrに流れる電流です。 I(L22)の電流位相はI(L12)の電流位相と同相、またI(Rr)の電流位相はライン電圧V(vline)位相と 同相になっています。


図5 反射波のみ

各点波形とモデル回路

 反射波のみの場合も P3出力電圧Vfrd と P4出力電圧Vrefも 進行波のみの場合と同様の眺め方で導出できます。進行波のみの場合との違いは電流センストランスの2次側電流の方向が反対になるだけです。 極性符合は位相を現わしています。

経路 電流センスによる電流 電圧センスによる電流 2つの重畳電流 電圧出力
P3、Rf Vline/2N・Z −Vline/2N・Z Vfwd=0
P4、Rr Vline/2N・Z Vline/2N・Z Vline/N・Z Vref=Vline/N

 以上の通りですが 結果がより明確に分かるよう 図6 に ライン電圧Vline、P3 Vfrd、P4 Vref の拡大波形を掲げておきます。


図6 反射波のみ

一部波形の拡大

(3) 進行波・反射波複合した動作

 線形回路でありトランスが飽和でもしない限り上述の進行波・反射波単独での動作の重ね合わせで動作しますが、LTspiceの伝送線路モデル(TLINE) を用い 負荷端を300オームで不整合とし定在波が立った状態を模擬してみました。 伝送線路モデルは特性インピーダンスは50オーム、無損失、遅延時間は800n秒です。
 図7 はこれらモデル回路と主要点の波形です。 負荷端での反射波がタンデムマッチカプラに到達するシミュレーション開始1.6μ秒後までは進行波のみ、以降重畳する反射波込みでライン電圧V(vline)も変化し、P4反射波成分電圧V(vref)が出力され始めています。 一方 P3進行波成分電圧V(vfwd)は一定で変化していません。


図7 進行波のみ

各点波形とモデル回路

4.参考資料

1) トリオのパワーメータ PF-810のマニュアル

 特許への抵触回避のためか 進行波・反射波別々に専用タンデムマッチカプラを設けてありますが 原理図では単一の(純正)タンデムマッチカプラが示してあり 広帯域のメリットに魅力があっての適用かと思われます。
 TRIO FUNCTION POWER METER PF-810 OPERATING INSTRUCTIONS

END

改定来歴:  2019.Aug.28 作成