●PRC-10(A) DC/DC電源の検討(既存品の分析)
PRC-10(A)は、かなり楽しい機械でありながら、実際に運用して楽しまれている方が少ない無線機のようです。その大きな理由の一つが電源で、4種の電圧を用意しなければなりません。単1電池と006Pを沢山使って対応するのは、乾電池メーカへの販売協力にはなりますが経済的にも効率的な方法ではありません。
そこで多電圧出力のDC/DCコンバータの出現となります。プロの軍用世界で既に何種かのものが現存し簡単に入手できるものもありますが、アマチュア精神で自作を目指し、まず既存品を分析してみたのがこのページです。
なお、同種のDC/DC電源へのチャレンジはJN3QZXさんの諸検討があります。
■ AQ-2-A
AQ-2-Aの外観、内部の感じについては、
ここ、回路図については ここ
をご覧ください。
( これらのページのホームは COLLECTION DE MATERIELS RADIO MILITAIRESです )
6V/12V両方への対応に、かなり精緻な切り替え回路になっており、DC/DCコンバータ部分の発振トランスのタップ切り替えは良いとしても、オーディオアンプ部は「そこまでやるかー」って感じがします。切り替えのための接点がSPDTで5つ、信頼性の面では不利です。オーディオアンプの電力消費量は多くは無いですから、6Vアンプ回路1本で、12V対応は12Vから6Vへのシリーズドロッパで処理しても問題になる範囲ではないと推測します。 横道にそれました、DC/DC電源部分を眺めます。
<回路構成> 
電源部回路図だけを切り出し、グランドラインなどをトレースしたものです。
回路は、左から右への信号流れで書かれています。メインになるDC/DCコンバータのトランスは、写真によるとかなり大きく仕上がりでφ90mm程のトロイダルトランスが使われています。
2次側平滑回路のインダクターは壷型コアのようですが、写真だけでは何とも不明です。
<電圧制御>
回路図で左の方にあるQ1がDC/DCコンバータの1次電源のシリーズドロッパ、そのベースに連なる2段に接続されたQ3、Q4がシリーズドロッパのベース電流のコントロールです。DC/DCコンバータ2次側の出力電圧の検出を、DC65V出力を分圧して帰還させ、シリーズドロッパをコントロールしています。
DC135VはDC65V用巻き線の倍になってますからそれなりの電圧になっています。
一方、DC1.35VとDC5.6Vは、電圧制御帰還系の外になりますから、両者ともにシリーズドロッパ用のトランジスタ各1石で設定するようになってます。これらのドロッパは基準電圧と比較器を持つ様な定電圧回路ではなく、可変抵抗の代用で電圧制御機能はありません。
<電源制御>

左図は、マニュアルより抜粋したPRC-10の電源制御が解る回路図です。これと一緒に上のAQ-2-A電源部回路を眺めてもらうと以下の説明が良く分かってもらえると思います。
DC135V・DC65Vおよび1.35V出力のアース側は、PRC-10の電源スイッチとは無関係にAQ-2-A内部で既にグランドに落とされています。
PRC-10の電源スイッチでは、AQ-2-Aの5.6Vラインのグランド側とQ4のエミッタを一括して、ON/OFF(グランドに落とす/フローティングする)しています。OFFではQ4のエミッタがフローティング状態となり、結果、電源ラインのシリーズドロッパQ1はカットオフされますからDC/DCコンバータは発振せず、DC135V・DC65Vおよび1.35V出力が0Vとなります。
簡単に言うとPRC-10の電源スイッチでDC/DCコンバータの一次側をON/OFFしているのです。
■ Tc94026
Tc94026の外観、内部の感じについては、
ここ、回路図については ここ
をご覧ください。
( これらのページのホームは Green Radio - A page about Swedish military radio setsです )
かなり自作意欲をそそる形状形態です。DC/DCのケーシングの平板を放熱板として電池箱の内面と勘合させる。これ常套手段ですがパワートランジスタのパッケージの出っ張り分を平板をへこます工作はアマチュアにはちょっと心鈍いですね。
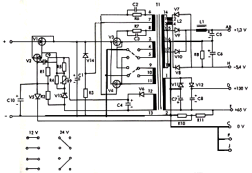
<回路構成>

グランドラインなどを太線でトレースし、巻き線17の辺りの誤りを修正したものです。
かなりシンプルな構成です。シリーズドロッパで2石、DC/DC発振で2石、65V・130Vは単巻き出力を半波倍電圧整流で済ませています。5.4V出力は二次巻き線出力にコモンモードチョークを通して両波整流しています。
<電圧制御>
左の方の2石、V1、V2がDC/DCコンバータ1次側の電圧を制御するシリーズドロッパで、2次電圧の検出は65V出力R10、R11で分圧して帰還させるとともに、巻き線12,13の電圧でも帰還させています。巻き線12,13はシリーズドロッパのコントロールを受け持つV2の動作電源を作るのと兼ねています。
一方、DC1.3VとDC5.4Vは、一切調整機構を持っていません。4種(3種)の電圧のどれを優先して可変抵抗R9で電圧設定をするのか悩む事になりそうです。
